EMS run with three corpora (part 2)
I was trying to run the EMS with three corpora in late August before I went to the ATICOM post-editing course. The EMS crashed again and I wasn’t able to finish. The crash occurred in the TRAINING:build-ttable step. The cause of the crash was not immediately clear from the error output (excerpt below):
...
Loading lexical translation table from /home/gary/workspace/experiment/model/lex.9.f2e.........................................................................................................................................................KilledOnce again, it seemed likely that Moses used up the machine’s RAM and the offending processes were killed by the operating system.
Thankfully, I was able to add another 8GB RAM to my virtual machine (total = 16GB) and reran the EMS. The number of cores also doubled from 4 to 8 and it looks like the EMS at least partially took advantage of that. Just the tuning step took 4 hours, and overall it took 13 hours to finish up this EMS run (after spending half a day just running the GIZA and reverse GIZA steps), but now I have a new engine to test.
First, the scores for the engine:
test: 18.20 (1.018) BLEU-c ; 19.25 (1.018) BLEUThese BLEU scores are almost 2 points higher than my first EMS run with only one corpus. But still nowhere near the results from the baseline system. Perhaps the baseline system (French-English) was cherry-picked for the good scores!?
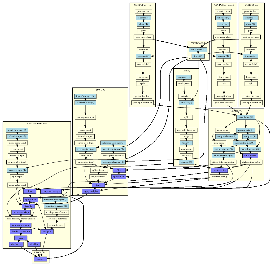
Here is the final Moses graph from this EMS run:
